1985 Camaro Wiring Diagram
1985 chevrolet camaro chevrolet camaro chevrolet cars & trucks z28 wire diagrams fuel pump wiring diagram view all » 369 views. Always reference your camaro's service shop manual before tackling an chevrolet camaro z28, z28 coupe, , , , , , , system found on to camaros.
1984 Chevy Camaro Wiring Diagram Star Wiring
Automotive wiring in a 1985 chevrolet camaro vehicles are becoming increasing more difficult to identify due to the installation of […]
1985 camaro wiring diagram. The digital camaro.zip file has been completed and is available for sale for a very reasonable fee. 1985 chevy truck wiring diagram fitfathers me extraordinary at 1986 chevy truck wiring diagram 1985 chevy truck s10 truck. Interconnecting wire routes may be shown approximately, where particular receptacles or fixtures must be on a common circuit.
It might seem like a complex and confusing mess, but if you approach this logically and use the sites wiring diagrams you'll be able to understand what's going on. The ecm that came in my 1985 z28 camaro with the tpi motor (vin f) is a series 1226870 (870) control unit (car computer). Chevrolet camaro 1982 1992 wiring electrical information 1985 z28 305 5 0l diagram my 85 and eprom project 1986 92 firebird pull down need ecm pinouts third generation f 4th gen lt1 body tech aids parts literature 13 diagrams 1987 infosite ss 2001.
The electrical system is critical to your cars operation. The bolt on terminal goes to the positive on the battery. 1982 5.0l carbureted engine wiring.
This alternator has only a main wire and a 2 wire plug. As the title states, i own a camaro z28 with a l engine. Whether your an expert chevrolet camaro mobile electronics installer, chevrolet camaro fanatic, or a novice chevrolet camaro enthusiast with a 1985 chevrolet camaro, a car stereo wiring diagram can save yourself a lot of time.
Also, since some special wiring diagrams are not readily available, i am attaching scanned copies for only a few selected years. 11.00 x 8.50 x 2.13 inches. 1987 camaro wiring diagram.this is a image galleries about 1987 chevy wiring diagram.you can also find other images like wiring diagram, parts diagram, replacement parts, electrical diagram, repair manuals, engine diagram, engine scheme, wiring harness, fuse box, vacuum diagram, timing belt, timing chain, brakes diagram, transmission diagram, and engine.
1994 chevrolet astro van wiring information: An expert that got 5 achievements. We will be having a.
’82 thru ’85 camaro v8. One major problem when tuning an eprom for this ecm is that the diagnostic data ( aldl) is. Wiring diagram 1986 chevy camaro.
Z28 camaro wire diagrams camaro 1985 wiring related topics: Repair guides wiring diagrams wiring diagrams autozone com repair guide camaro trailer light wiring. The cd is specific to the 1985 model year but most of the diagrams can be used.
The ign sw has 1 input batt and 3 outputs acc ign start. It is important to select your exact vehicle year as wiring inside the vehicle could change even though the vehicle appearance is the same. 1985 camaro wiring diagram wiring diagram show architectural wiring diagrams accomplish the approximate locations and interconnections of receptacles, lighting, and permanent electrical services in a building.
1983 camaro iroc z wiring diagram. The simplest approach to read a home wiring diagram is to begin at the source, or the major power supply. This repair manual covers all 1985 camaros, including the standard camaro as well as the z28 and berlinetta.
The connector has 2 wires a. Posted on jun 17, 2009. How do you wire an alternator for a 1985 chevy camaro?
Purchased the new vhx dakota digital gauge cluster and need to know the specifics. Reference diagrams for the electrical systems… power distribution. It's a good idea to document 6.
Oil pressure / tach / coolant temp. I see the wiring diagram for a 1985 starter but would like a real picture to. The internal wiring systems for the third generation camaro cars can be broken down into a few ranges.
The chevy mechanic can find the right wiring diagram for you. This is the austinthirdgen of a pic i get via the 1989 chevy. 1982 5.0l crossfire injection engine wiring.
Also, since some special wiring diagrams are not readily available, i am. Camaro steering wheels columns restoration information size. Does anyone have a wiring diagram for the instrument panel for a 1980 camaro.
Acc accessory wire gets power only. Most aftermarket radios are referred to as din sized radios. Chevy 305 engine wiring diagram and g wiring diagrams parts chevrolet forum chevy diagram engineering repair guide.
Find your 1989 warrior 350 wiring diagram here for 1989 warrior 350 wiring diagram and you can print out. Would you like any additional help or materials?
1985 Camaro Z28 305 5.0L Wiring Diagram Camaro Forums Chevy Camaro Enthusiast Forum
NOS window switch wiring Camaro5 Chevy Camaro Forum / Camaro ZL1, SS and V6 Forums

Free Auto Wiring Diagram 19821985 Chevrolet Camaro Fuel Instrument Panels Diagram

I have a 1985 camaro and need to find wireing diagams for the only.all the

87 chevy camaro iroc z 305 5.0 tuned port injection FreeAutoMechanic Advice

1985 Camaro Z28 305 5.0L Wiring Diagram Camaro Forums Chevy Camaro Enthusiast Forum
[DIAGRAM] Wiring Diagram For 1984 Camaro Z28 FULL Version HD Quality Camaro Z28 ETEACHINGPLUS.DE
Wiring Diagrams? Camaro5 Chevy Camaro Forum / Camaro ZL1, SS and V6 Forums

Camaro 84 lighting Third Generation FBody Message Boards

Free Auto Wiring Diagram 19821985 Chevrolet Camaro Fuel Instrument Panels Diagram

Free Auto Wiring Diagram 19821985 Camaro Fuel Gauge and Indicator Diagram

1985 Buick Riviera Wiring Diagram 1985 Buick Riviera TType Convertible Turbocharged 3.8L V
Wiring Diagrams? Camaro5 Chevy Camaro Forum / Camaro ZL1, SS and V6 Forums
Camaro Wiring Diagram SHOP Manual
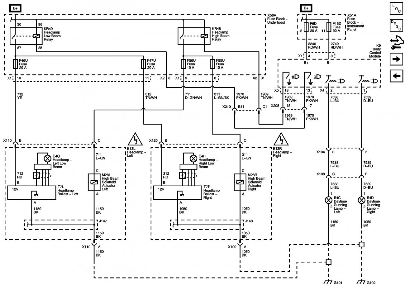
DRL stopped working, looking for wiring diagram Camaro5 Chevy Camaro Forum / Camaro ZL1, SS

1981 Chevy Camaro Wiring Diagram / Repair Guides 1957 chevrolet 6 cylinder wiring diagram one

